Medical Isolation Power Supply System
25 Dec 2025
Application

22Medical IT system insulation monitoring device and fault location system is suitable for hospital operating room, ICU (CCU), and other important places, and can provide a safe place for such continuous, reliable power solutions.

Application

Low-voltage power distribution grounding and neutral connection systems are divided into three basic forms: IT, TT, and TN. TN is divided into three derivative types: TN-C, TN-S, and TN-C-S.

IT System

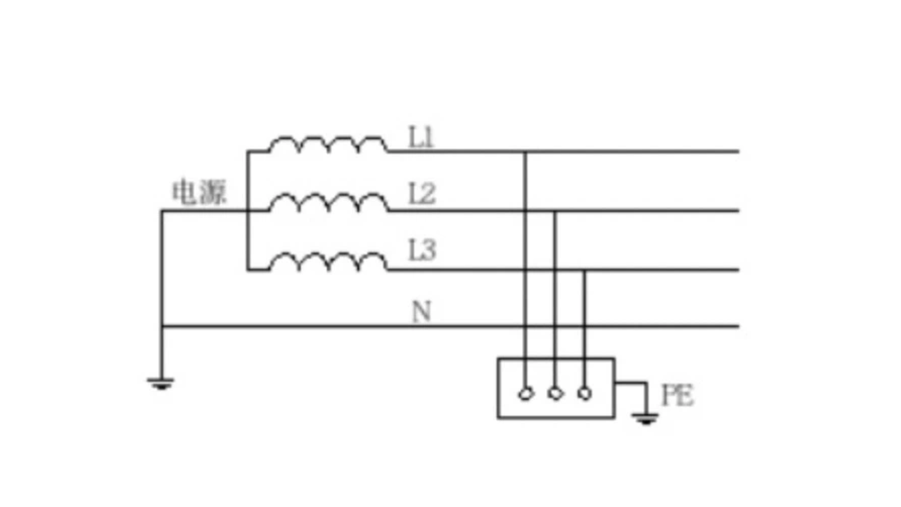
Definition: The power supply is not grounded, and the equipment case is grounded
Protection: Monitoring system insulation resistance to ground


TT System

Definition: power grounding, equipment case grounding

Protection: monitoring system residual current to ground


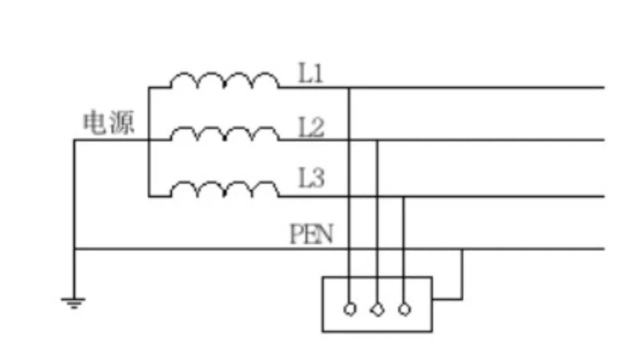
TN-C System
Definition: Power supply and equipment case grounding. The two grounds are connected, and the neutral ground is separated
Protection: monitoring system residual current to ground
TN-S System
Definition: The power supply is grounded, and the equipment shell is grounded. Connecting two places, neutral-ground integration
Protection: monitoring system residual current to ground

The first letter indicates the status of the neutral point and ground of the power supply:

T - indicates that the neutral wire of the power supply is directly grounded;

I - indicates that the neutral wire of the power supply is not grounded or grounded with high impedance.


The second letter indicates the state of the load side and ground;

T - The leaking conductive part of the electrical device is directly grounded, and the grounding point is independent of the grounding point of the power supply terminal;

N - The exposed conductive part of the electrical device is directly electrically connected to the grounding point of the power supply terminal.


The third letter C indicates that the neutral line (N line) is shared with the protective zero line (PE line); the fourth letter S indicates that the neutral line (N line) is separated from the PE line

Why use the IT System for hospitals?
TN-S System: Poor Security & Continuity of Power Supply

1. In the grounding system, when the live wire earth fault occurs, the neutral & live wire is short-circuited to the ground, and the circuit breaker trips, which affects the continuity of the power supply.

2. Any electrical equipment powered by the TN system will generate a certain amount of leakage current, which poses a threat to medical staff and patients.

3. If the leakage current of the equipment is too large and exceeds the operating current of the leakage current protection circuit breaker, the circuit breaker will trip, which will also affect the continuity of the power supply.

IT System: Good Power Supply Security & Continuity

1. The IT system is not grounded. When any live wire ground fault occurs (the first time ground fault), the insulation monitor will report a ground fault, but the circuit breaker will not trip, and the system can continue to operate with the fault occurring.

2. Since the system is not grounded, the leakage current forms a loop through the distributed capacitance of the system. Under high capacitive reactance, the leakage current will be relatively small, and the normal system leakage current is below microamperes.

3. For medical IT systems, the IEC standard requires that the input and output circuit breakers of the IT system are not allowed to have an overload protection function, and the power supply will not be interrupted when overloaded.

Where need to use the Medical IT Unearth System

Medical Venue of Class 0 Medical Venue of Class 1 Medical Venue of Class 2

Application

Such places do not have electrical equipment that directly contacts the patient's body

The electrical facilities in such places are mainly used for the patient's body surface contact

1. Diagnostic and therapeutic methods that do not invade the patient's body

2. Simple medical device intrusion

Electrical facilities in such places are mainly used for patient-invasive treatment methods and life support system equipment.

1. Invasion of the patient's body

2. need to run continuously

3. Load system precision is the highest


Power Supply Method

A Power failure will not directly cause or affect the life safety of patients

A power interruption will not pose a direct safety threat to patients during diagnosis and treatment.

Unexpected interruption of power supply will directly affect the life safety of patients

Examples

▪ Massage Therapy Room

▪ Office

▪ Physiotherapy room

▪ Infusion Room

▪ Operating Room

▪ ICU


Medical Venue of Class 1 Medical Venue of Class 1 Medical Venue of Class 2
Acrel IT Solution
Product Selection

AITR Series Medical isolation transformer


◆ Isolating transformers for medical IT systems

◆ Double insulation treatment, Electrostatic shielding layer

◆ PT100 temperature sensor

◆ Rated power: 3.15…10KVA

◆ CE mark


AIM-M10 Medical Intelligent Insulation Monitor


◆ Insulation monitoring for medical IT systems

◆ Load and temperature monitoring of the isolation transformer

◆ Device disconnection monitoring

◆ LED indicators: On, Insulation, Overload, Overtemp

◆ One Alarm relay output

◆ Test button

◆ One RS485,MODBUS-RTU


AIM-M100 Medical Intelligent Insulation Monitor


◆ Insulation monitoring for medical IT systems

◆ Load and temperature monitoring of the isolation transformer

◆ Device disconnection monitoring

◆ LCD indicators: On, Insulation, Overload, Overtemp

◆ Two Alarm relay output

◆ Test button

◆ One RS485,MODBUS-RTU


AIM-M200 Medical Intelligent Insulation Monitor


◆ Insulation monitoring for medical IT systems

◆ Load and temperature monitoring of the isolation transformer

◆ Device disconnection monitoring

◆ LED indicators: On, Insulation, Overload, Overtemp

◆ Two Alarm relay output

◆ Test button

◆ Insulation fault location

◆ RS485 (MODBUS-RTU) + CAN (custom protocol)

AID10 Alarm and Display Instrument



◆ Remote monitoring of one set of AIM-M10 insulation monitor

◆ LED indicators: On, Insulation, Overload, Overtemp

◆ Mute button

◆ Test button

◆ Power supply: DC24V

◆ RS485,MODBUS-RTU





AID120 Alarm and Display Instrument



◆ Remote monitoring of one set of AIM-M10 insulation monitor

◆ LCD indicators: On, Insulation, Overload, Overtemp

◆ Mute button

◆ Test button

◆ Power supply: DC24V

◆ RS485,MODBUS-RTU




AID150 Alarm and Display Instrument



◆ Remote monitoring 16 sets of AIM-M10 insulation monitor and 1 set of AIM-R100

◆ LED indicators: On, Insulation, Overload, Overtemp

◆ Mute button

◆ Test button

◆ Power supply: DC24V

◆ RS485,MODBUS-RTU




ACLP10-24 DC Power

Supply



◆ Power Supply to AID series

◆ AC 220V input, DC 24V output

◆ Completely Isolated Linear Transformer

◆ Power-on indicator




ASG150 Signal Generator



◆ Generating Fault Location Signal

◆ Detection of L1 and L2 disconnection

◆ LED indicators: On, Comm, L1, L2, Fault

◆ CAN bus, custom protocol

◆ Power supply: DC24V



AIL150-4/-8 Insulation Fault Locator


◆ Insulation fault location in AC IT systems

◆ AIL150-4: 4 measuring channels

◆ AIL150-8: 4 measuring channels

◆ LED indicators: On, Comm, L1…L8

◆ CAN bus, custom protocol

◆ Power supply: DC24V


AIM-R100



◆Residual current real-time monitoring in TN-S system;

◆Monitoring the residual current transformer wiring short circuit, brake line, and the failure alarm;

◆Relay output, LED alarm indication

◆ SOE function

◆ Self-checking function

◆ Remote reset function



AKH-0.66P26



◆ The maximum measurable current is 60A, Current ratio 2000:1;

◆Work with the AIM-M300 series insulation monitoring device to measure the load current of the isolation transformer.


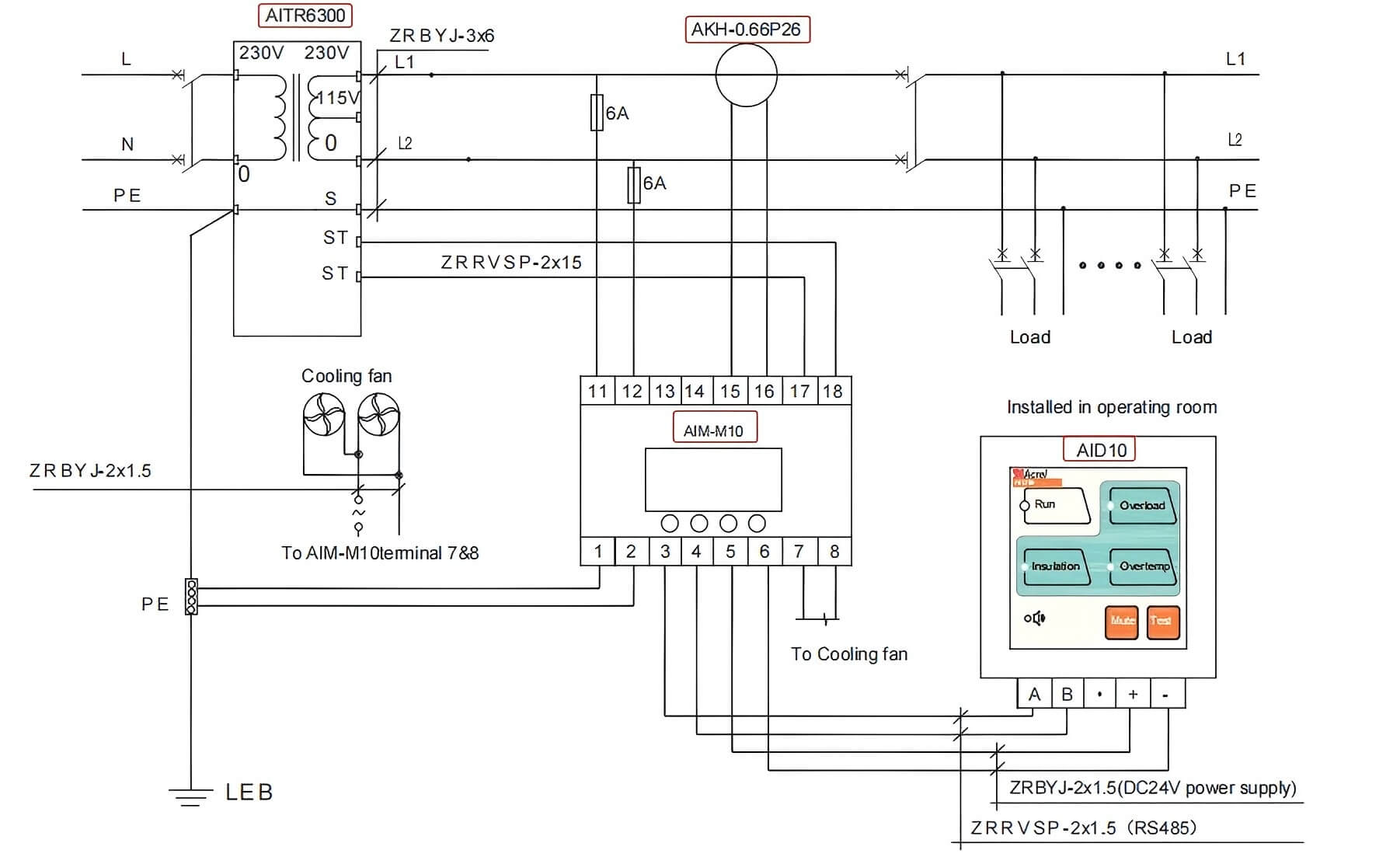
Acrel IT System 4 Pieces Solution For Operating Room

Using:

1) AITR series medical isolation transformer;

2) AIM-M10 medical intelligent insulation monitor;

3) AKH-0.66P26 current transformer;

4) AID10 external alarm and display instrument




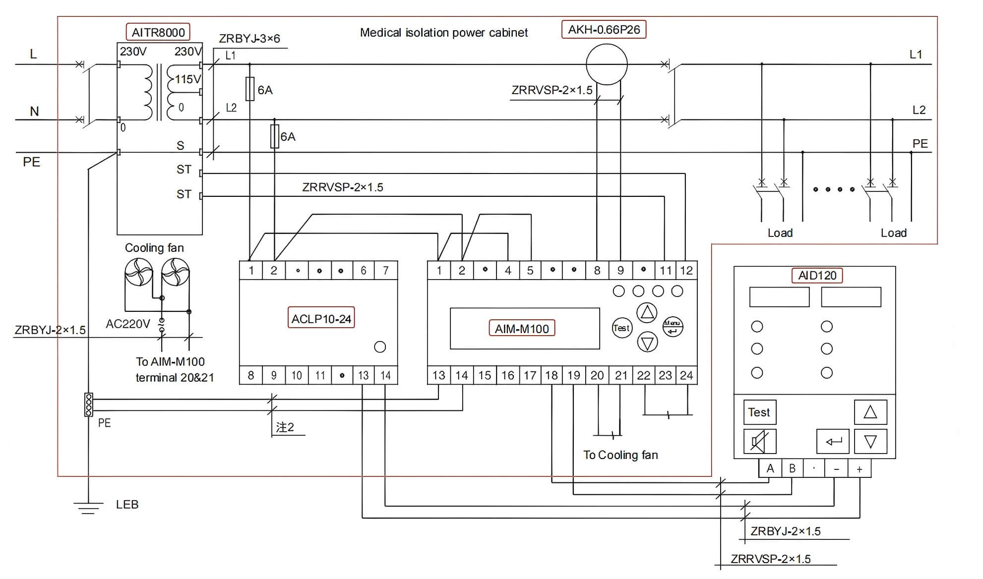
Acrel IT System 5 Pieces Solution For Operating Room

Using:

1) AITR series medical isolation transformer;

2) AIM-M100 medical intelligent insulation monitor;

3) AKH-0.66P26 current transformer;

4) ACLP10-24 dc power module;

5) AID series (AID120, AID150) external alarm and display instrument;




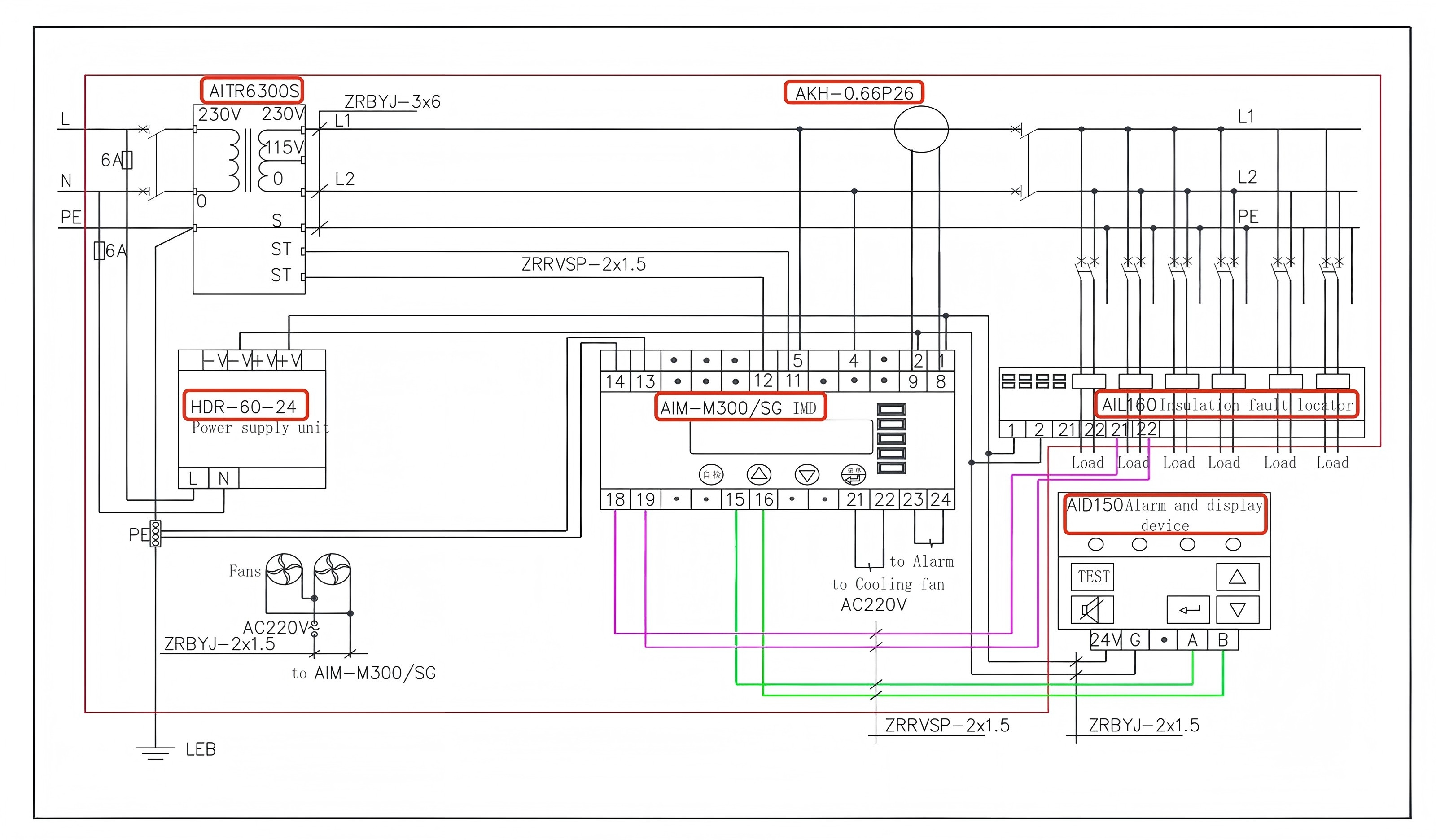
Acrel IT System 6 Pieces Solution for ICU Room

Using:

1) AITR series medical isolation transformer

2) AIM-M300(or AIM-M300/SG) medical intelligent insulation monitoring device;

3) AKH-0.66P26 current transformer;

4) AIL150-4/AIL150-8 /AIL160-6 insulation fault locator;

5) HDR-60-24 power module;

6) AID150 centralized alarm and display device





Acrel IT System 7 Pieces Solution for ICU & Operating Room

Using:

1) AITR series medical isolation transformer;

2) AIM-M200 medical intelligent insulation monitoring instrument;

3) AKH-0.66P26 current transformer;

4) AIL100-4/AIL100-8 insulation fault locator;

5) ASG100 test signal generator;

6)HDR-60-24 power module;

7)AID200 centralized alarm and display instrument;




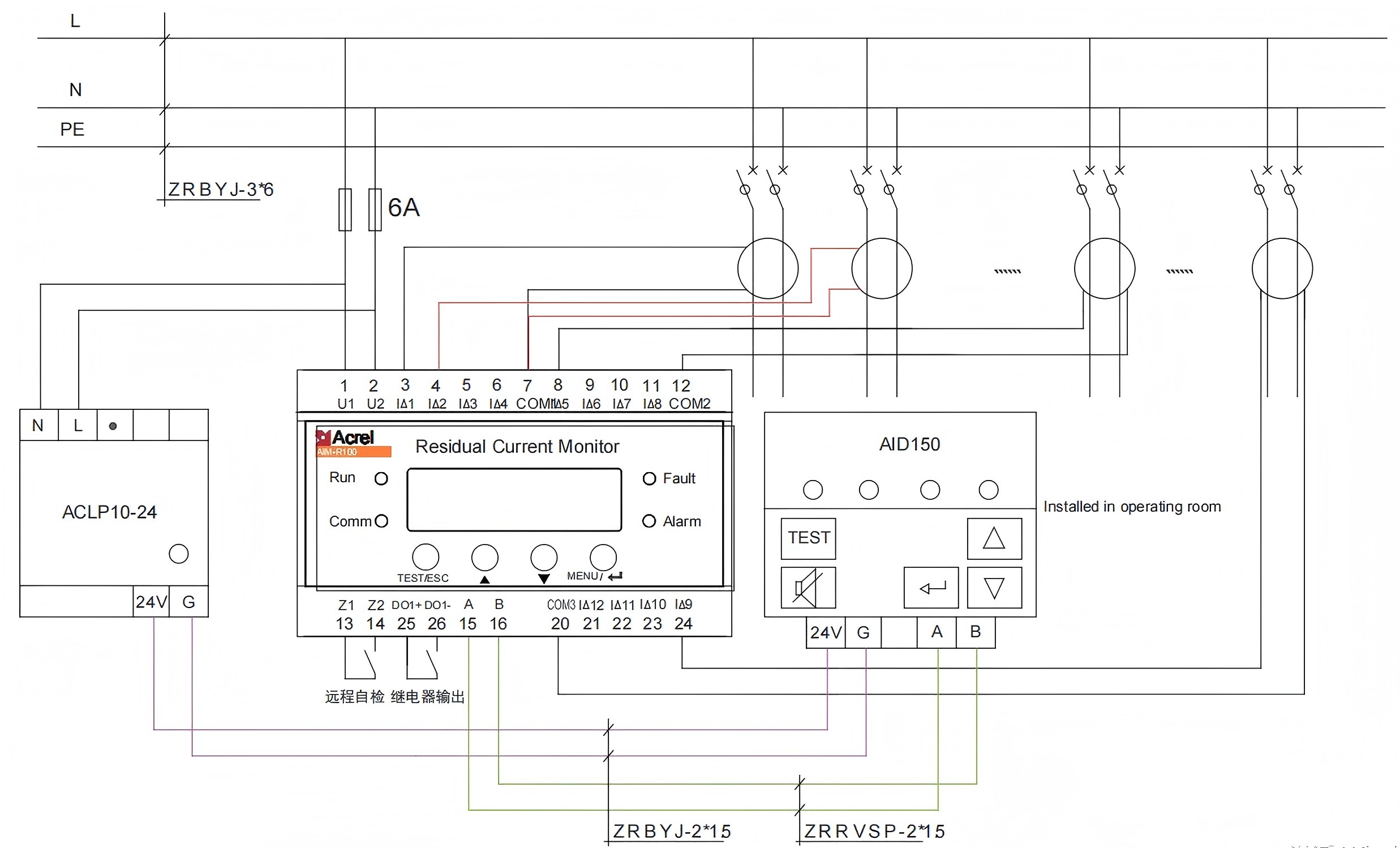
Acrel IN-S System Residual Current Solution

Applicable to TN-S systems in Class 1 and Class 2 medical places such as medical delivery rooms, hemodialysis centers, emergency rooms, etc., it can monitor the leakage current of 12 main lines or each terminal branch, and has an over-value alarm function;


1) Leakage monitoring range is 1mA~5A; alarm value range: 6mA~1A;

2) 1 channel RS485 communication, which can be used for data remote monitoring;

3) 1 channel relay alarm output.




Acrel Project's Drawing
IT 5 Pieces + TN System Solution Drawing
IT System Operating 7 Pieces Solution Drawing
Acrel Project's Drawing
Next:
None
Solutions
Product Catalog